20 years' focus on R&D and manufacturing of power supply电源作为电子设备必不可少的一个关键组成部分,任何搞硬件研发及维修或者学校课程都是不能回避的。搞过设计的朋友都知道,它的原理不复杂,但是要把电源做好做稳定却是非常难的,今天飞天鹰科技就来为大家讲解一下线性电源适配器的原理。
简单的讲,线性电源适配器的硬件主要由变压器,整流电路,滤波电路,稳压电路四个部分组成,如下图。

市电的交流变成稳定的直流输出主要有以下四步:
第一步,220V交流电源u1经过变压器耦合降压后变成低压的交流电源u2。
第二步,低压交流u2再经过全波整流电路后变成只有正电压的大波纹u3。
第三步,u3经过大容值电容滤波后变成正电压小波纹u4.
第四步,u4经过稳压电路后变成相对稳定的直流电u0.
u0就能供给各种设备使用了。
经过上面4步,用示波器观察,电压的具体波形变化如下图。

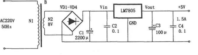
在实际电路设计中,最简设计电路如下图。B代表变压器,N1和N2是变压器的两个绕组,经过调整N1与N2的绕线圈数比,我们可以得到不同的低压交流。下图中得到的是8V AC。

VD1-VD4四个二极管构成全波整流电路。C1为大容量电容,可将大波纹的正电压(上图中波形3)变成相对平直的正电压(波形4)。C2可滤除整流后的部分高频毛刺。LM7805是三端稳压管,可将8V直流变为低纹波低噪声的5V直流。C3和C4是对得到的5V直流电进行再滤波,得到超低纹波和噪声的5V直流电。
为了获得更好的电源,我们会在变压器前端再加入防雷电路(3个压敏电阻),会在三端稳压管前后端加入更多容值的瓷片电容及CBB电容以改善纹波和噪声。有的甚至会在电路中增加共模和差模电路,这里就不多做介绍了。